2011年05月02日
デジット AVRトレーニングボード「MEGA168-V1」
(2013.02.25 UPDATE)
ATmega168を搭載したAVRマイコンの学習用に最適な、デジットオリジナルのAVRトレーニングボードをご紹介いたします。
AVRトレーニングボード「MEGA168-V1」 販売価格¥2,900-


これからマイコンを始めるという場合、マイコン、ライター以外にマイコンを動作させるための回路も必要になってきますが、基板やブレッドボードを使ってテスト回路を組まないと動作実験ができません。
このトレーニングボードは、マイコン周辺にLED、スイッチを実装し、直接プログラムの書込みもできますので、本キット1台でATmega168Aに実装されている機能を一通り動作実験がすぐにできます。
また、各ポートは外部回路と接続できるようヘッダーピンを実装していますので拡張性もあり、AVRトレーニングボードに実装されている機能を飛び越えて、様々な実験が行えます。
これからAVRマイコンを始めたいという方に超オススメです!
なお、本キットは組み立てキットとなっております。
キット説明書(PDF)
◆メインデバイス:ATmega168A-PU


搭載するAVRマイコンは、多すぎず少なすぎずでちょうどいいメモリ容量にI/Oポート、かつ様々な機能を実装して実験を始め、様々な用途で汎用的に使用できる超定番の「ATmega168A」です。
【ATmega168Aの特徴】
・Flash:16kB
・EEPROM:512byte
・SRAM:1kB
・I/O:23本(Reset含)
・8bitタイマ / カウンタ×2
・16bitタイマ / カウンタ×1
・PWM×6
・10bit-ADC×6
・アナログコンパレータ×1
・WDT
・SPI×2
・TWI×1(I2Cコンパチ)
・UART×1
・デバッグWIRE内臓デバッグ機能
・実装書き込み(ISP)
・パワーONリセット
・低電圧検出器(BOD)
・校正付き内臓RC発振(1MHz / 8MHz)
・外部発振:max20MHz
・電源:2.7~5.5V
なお、AVRトレーニングボードではReset端子を使用しておりますので使用可能なI/Oは22本となります。ResetをI/Oとして使用した場合、ISP書込みができなくなりますのでご注意ください。
また、AVRトレーニングボードでは内蔵RC発振(1MHz / 8MHz)のみで外部発振は利用できません。
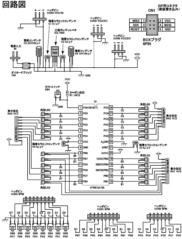
◆各I/Oポート


ポートB×8本、ポートC×6本、ポートD×8本の各ポートにLEDが接続されていますので、出力の動作チェックが可能です。電流制限抵抗は抵抗アレイが接続されておりますが、SILソケットに差し込まれておりますので、抵抗アレイを引き抜いてADCの実験なども行えるようになっています。また各ポートはヘッダーピン経由で入出力も行えます。
◆実装書込みポート(ISP)
実装書込用ISPコネクタ(6ピンBOXプラグ)を設けており、プログラムをAVRライターで直接書き込むことができますので、書き込んだ後すぐに動作実験ができるのが特徴です。
◆タクトスイッチ
付属のタクトスイッチを8個実装できます。
スイッチはポートDの全て(PD0~PD7)に接続されておりますので、スイッチ制御実験も可能となっております。
◆リセットスイッチ
ポートC(PC6)に接続されたリセットスイッチを基板上に設けてあります。PC6をリセットとして使用しておりますので、PC6を入出力ポートとして利用できません。
※PC6(リセット)をI/Oとして使用した場合、本ボードでISP書込みができなくなりますのでご注意ください。
◆電源周り
メイン回路にはレギュレータを通して5V供給されます。外部電源入力(DC12V)側には、ブリッジダイオードを実装しておりますので、+・-極性問わず入力できます。
◆2つの電源端子


基板上にレギュレータ入力側と出力側のそれぞれに電源出力端子を設けております。レギュレータ出力側の電源端子は5Vが2つ取り出せます。入力側の電源端子は入力した電源の電圧が取り出せます。AVRトレーニングボードに外部回路を接続した場合、各電源端子から電源が取れますので、外部回路用に別途電源を用意する手間が省けます。ただし、外部回路がAVRトレーニングボードの電源能力を超えるような高負荷な場合(モータなど)は、外部回路に別途電源を設けてください。
◆トレーニングボードとつなげて学習!各種マイコン用学習実験ボード






マイコン用学習ボードは、 ヘッダーピンを介してAVRトレーニングボードキットとQIコネクタ付きワイヤーで簡単に接続でき、サンプルプログラムソースも配布している ため、すぐに動作させることができます。
さらに、サンプルプログラムソースを変更することにより、ユーザー様オリジナルの動作をさせて楽しみながらプログ ラムの知識を得ていきます。
AVRトレーニングボードとつなげて学習・実験が行えますのでオススメです!
マイコン用学習ボードの詳細はBlog記事をご覧ください。
◆トレーニングボードで学習した後は!
ATmega168汎用基板キット 168BOARD


AVRトレーニングボード「MEGA168-V1」よりLEDやスイッチを省き、可変シャントレギュレータを搭載し、外付け水晶にも対応して高機能化したマイコンボードです。自作機器の組み込みや高度な実験などに便利です。
168BOARDの詳細はBlog記事をご覧ください。
AVRマイコン電子工作製作会

デジット主催の「AVRマイコン電子工作製作会」は、このトレーニングボードを中心で行っております。もし、AVRをこれから始めてみたいと思われる方は、ぜひAVRマイコン電子工作製作会の参加もご検討ください。
AVRマイコン・プログラミング入門 販売価格¥3,045-

AVRトレーニングボードと同じくAVRの学習用として人気が高い書籍で、ATmega168系を中心に書かれている唯一の入門書なので、トレーニングボードと一緒にお求めになられる方が非常に多いです。
AVRマイコン電子工作製作会でも、この書籍を多用しており、参加者様自身もご購入されるケースも少なくありません。
AVRマイコン・プログラミング入門Blog記事
デジットオリジナルAVRライター「AVRWRT3」 販売価格¥2,400-

プログラムの書込みには、低価格で高性能なデジットオリジナルAVRライター「AVRWRT3」をオススメします!
AVRライター「AVRWRT3」Blog記事
もちろん、Atmel純正AVRライター「AVRISP Mk-II」でも書き込みが行えます。
▼デジット AVRトレーニングボード「MEGA168-V1」は
▼レジカウンタ前の吊り下げまたはレジカウンタ並びの
▼デジットキットのショーケースにて販売中!

共立エレショップに登録しておりますので通販ご希望の方はご利用ください。
ATmega168トレーニングボード / MEGA168-V1
AVRマイコン・プログラミング入門
高性能USB接続型AVRライタ / AVRWRT3
ATmega168を搭載したAVRマイコンの学習用に最適な、デジットオリジナルのAVRトレーニングボードをご紹介いたします。
AVRトレーニングボード「MEGA168-V1」 販売価格¥2,900-


これからマイコンを始めるという場合、マイコン、ライター以外にマイコンを動作させるための回路も必要になってきますが、基板やブレッドボードを使ってテスト回路を組まないと動作実験ができません。
このトレーニングボードは、マイコン周辺にLED、スイッチを実装し、直接プログラムの書込みもできますので、本キット1台でATmega168Aに実装されている機能を一通り動作実験がすぐにできます。
また、各ポートは外部回路と接続できるようヘッダーピンを実装していますので拡張性もあり、AVRトレーニングボードに実装されている機能を飛び越えて、様々な実験が行えます。
これからAVRマイコンを始めたいという方に超オススメです!
なお、本キットは組み立てキットとなっております。
キット説明書(PDF)
◆メインデバイス:ATmega168A-PU


搭載するAVRマイコンは、多すぎず少なすぎずでちょうどいいメモリ容量にI/Oポート、かつ様々な機能を実装して実験を始め、様々な用途で汎用的に使用できる超定番の「ATmega168A」です。
【ATmega168Aの特徴】
・Flash:16kB
・EEPROM:512byte
・SRAM:1kB
・I/O:23本(Reset含)
・8bitタイマ / カウンタ×2
・16bitタイマ / カウンタ×1
・PWM×6
・10bit-ADC×6
・アナログコンパレータ×1
・WDT
・SPI×2
・TWI×1(I2Cコンパチ)
・UART×1
・デバッグWIRE内臓デバッグ機能
・実装書き込み(ISP)
・パワーONリセット
・低電圧検出器(BOD)
・校正付き内臓RC発振(1MHz / 8MHz)
・外部発振:max20MHz
・電源:2.7~5.5V
なお、AVRトレーニングボードではReset端子を使用しておりますので使用可能なI/Oは22本となります。ResetをI/Oとして使用した場合、ISP書込みができなくなりますのでご注意ください。
また、AVRトレーニングボードでは内蔵RC発振(1MHz / 8MHz)のみで外部発振は利用できません。
◆各I/Oポート


ポートB×8本、ポートC×6本、ポートD×8本の各ポートにLEDが接続されていますので、出力の動作チェックが可能です。電流制限抵抗は抵抗アレイが接続されておりますが、SILソケットに差し込まれておりますので、抵抗アレイを引き抜いてADCの実験なども行えるようになっています。また各ポートはヘッダーピン経由で入出力も行えます。
◆実装書込みポート(ISP)
実装書込用ISPコネクタ(6ピンBOXプラグ)を設けており、プログラムをAVRライターで直接書き込むことができますので、書き込んだ後すぐに動作実験ができるのが特徴です。◆タクトスイッチ
付属のタクトスイッチを8個実装できます。スイッチはポートDの全て(PD0~PD7)に接続されておりますので、スイッチ制御実験も可能となっております。
◆リセットスイッチ
ポートC(PC6)に接続されたリセットスイッチを基板上に設けてあります。PC6をリセットとして使用しておりますので、PC6を入出力ポートとして利用できません。※PC6(リセット)をI/Oとして使用した場合、本ボードでISP書込みができなくなりますのでご注意ください。
◆電源周り
メイン回路にはレギュレータを通して5V供給されます。外部電源入力(DC12V)側には、ブリッジダイオードを実装しておりますので、+・-極性問わず入力できます。◆2つの電源端子


基板上にレギュレータ入力側と出力側のそれぞれに電源出力端子を設けております。レギュレータ出力側の電源端子は5Vが2つ取り出せます。入力側の電源端子は入力した電源の電圧が取り出せます。AVRトレーニングボードに外部回路を接続した場合、各電源端子から電源が取れますので、外部回路用に別途電源を用意する手間が省けます。ただし、外部回路がAVRトレーニングボードの電源能力を超えるような高負荷な場合(モータなど)は、外部回路に別途電源を設けてください。
◆トレーニングボードとつなげて学習!各種マイコン用学習実験ボード






マイコン用学習ボードは、 ヘッダーピンを介してAVRトレーニングボードキットとQIコネクタ付きワイヤーで簡単に接続でき、サンプルプログラムソースも配布している ため、すぐに動作させることができます。
さらに、サンプルプログラムソースを変更することにより、ユーザー様オリジナルの動作をさせて楽しみながらプログ ラムの知識を得ていきます。
AVRトレーニングボードとつなげて学習・実験が行えますのでオススメです!
マイコン用学習ボードの詳細はBlog記事をご覧ください。
◆トレーニングボードで学習した後は!
ATmega168汎用基板キット 168BOARD


AVRトレーニングボード「MEGA168-V1」よりLEDやスイッチを省き、可変シャントレギュレータを搭載し、外付け水晶にも対応して高機能化したマイコンボードです。自作機器の組み込みや高度な実験などに便利です。
168BOARDの詳細はBlog記事をご覧ください。
AVRマイコン電子工作製作会

デジット主催の「AVRマイコン電子工作製作会」は、このトレーニングボードを中心で行っております。もし、AVRをこれから始めてみたいと思われる方は、ぜひAVRマイコン電子工作製作会の参加もご検討ください。
AVRマイコン・プログラミング入門 販売価格¥3,045-

AVRトレーニングボードと同じくAVRの学習用として人気が高い書籍で、ATmega168系を中心に書かれている唯一の入門書なので、トレーニングボードと一緒にお求めになられる方が非常に多いです。
AVRマイコン電子工作製作会でも、この書籍を多用しており、参加者様自身もご購入されるケースも少なくありません。
AVRマイコン・プログラミング入門Blog記事
デジットオリジナルAVRライター「AVRWRT3」 販売価格¥2,400-

プログラムの書込みには、低価格で高性能なデジットオリジナルAVRライター「AVRWRT3」をオススメします!
AVRライター「AVRWRT3」Blog記事
もちろん、Atmel純正AVRライター「AVRISP Mk-II」でも書き込みが行えます。
▼デジット AVRトレーニングボード「MEGA168-V1」は
▼レジカウンタ前の吊り下げまたはレジカウンタ並びの
▼デジットキットのショーケースにて販売中!

共立エレショップに登録しておりますので通販ご希望の方はご利用ください。
ATmega168トレーニングボード / MEGA168-V1
AVRマイコン・プログラミング入門
高性能USB接続型AVRライタ / AVRWRT3