2011年07月01日
低ひずみ・高音質!ハイエンド・ステレオヘッドホンアンプキット
デジットオリジナルのハイエンド・ステレオヘッドホンアンプキットを販売開始いたしました!
ハイエンド・ステレオヘッドホンアンプキット「HPA_6120」


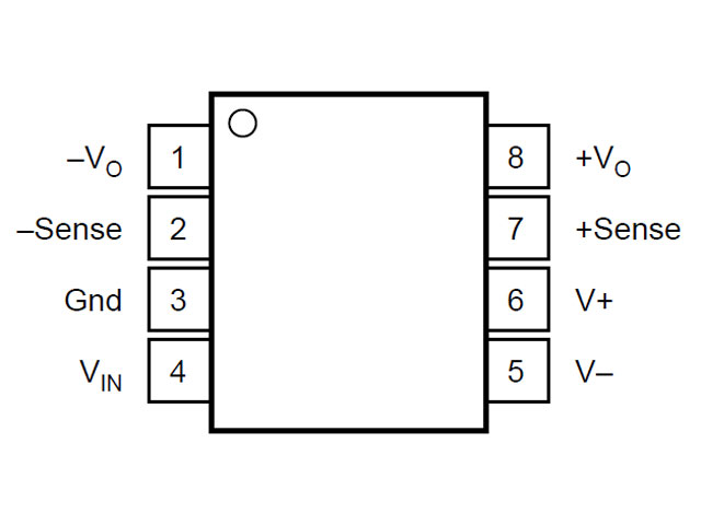
メインIC:TPA6120A2


低ひずみ・0.00055%を誇る高音質・高性能のTI・ステレオHi-FiハイエンドヘッドホンアンプIC「TPA6120A2」を採用したヘッドホンアンプメイン基板のキットです。
入力は平衡(バランス)入力です。幅広い電源電圧で動作いたします。
TPA6120A2は表面実装型のICですが、あらかじめ基板に実装済みです。
オーディオ用コンデンサを採用


ニチコン・オーディオ用電解コンデンサ、ポリエステルフィルムはWIMAを採用。
【ハイエンドヘッドホンアンプ「HPA_6120」仕様】
・メインIC:TPA6120A2
・電源電圧:±5~±15V
・入力:平衡入力
・ゲイン:2倍
・基板サイズ:51×37.5mm
キット説明書(PDF)
販売価格:¥2,440-

ヘッドホンアンプ、入力部分、電源部分をそれぞれ別々にキット化。
ハイエンド・ステレオヘッドホンアンプを簡単に製作でき、電子工作の初心者から上級者の方まで幅広く楽しめます。


ハイエンド・ステレオヘッドホンアンプキット「HPA_6120」は平衡(バランス)入力です。
一般的なオーディオ機器のアナログ出力は不平衡(アンバランス)が多く、この場合は
不平衡-平衡変換アンプキット「UNBAL_134」を使用して不平衡から平衡に変換して
入力します。
電源は±両電源です。ACアダプタなど単電源を使用する場合は、仮想グラウンド電源キット
「KASOU_GND」を使用します。
※なお、可変抵抗、ジャック類、スイッチ、ヒューズホルダ、ケースは付属しておりませんので、別途お求めください。
2ch 不平衡-平衡変換アンプキット「UNBAL_134」


アナログオーディオ不平衡入力をアナログオーディオ平衡出力に変換する組み立てキットで、ハイエンド・ステレオヘッドホンアンプキット「HPA_6120」の入力部分に使用します。
その他、オーディオのラインドライバなど幅広く使用できます。
メインIC:DRV134PA


メインICは超低ひずみ0.0005%を誇るTIのラインドライバICです。電源電圧は±4.5V~±18Vと広範囲です。アナデバ社のSSM2142とピン互換です。DATASHEET
オーディオ用コンデンサを採用
ニチコン・オーディオ用
電解コンデンサを採用しております。
【2ch 不平衡-平衡変換アンプキット「UNBAL_134」仕様】
・メインIC:DRV134×2個
・入力:不平衡入力
・出力:平衡出力
・ゲイン:2倍
・入力インピーダンス:10kΩ
・電源電圧:±4.5~±18V
・基板サイズ:51×33.5mm
キット説明書(PDF)
販売価格:¥2,440-
仮想グラウンド電源キット「KASOU_GND」 レールスプリッタ


ACアダプタなどの単一電源入力から、入力電圧の1/2の電位を仮想グラウンドにして±両電源出力を取り出せる電源組み立てキットです。ハイエンド・ステレオヘッドホンアンプキット「HPA_6120」、不平衡-平衡変換アンプ基板キット「UNBAL_134」の電源として使用します。プラス・マイナスの2電源が必要な回路の電源としても最適です。連続で最大0.2Aまで流せます。(24V入力/±12V出力時)
メインIC:LM1875T


DATASHEET


出力はヘッダーピンで8回路。ここから±電源を取り出せます。
電解コンデンサはニチコン・オーディオ用電解コンデンサです。
【仮想グラウンド電源キット「KASOU_GND」仕様】
・電源入力:DC12~24V
・出力回路数:8回路
・最大出力電流:約0.2A
・基板サイズ:51×37.5mm
キット説明書(PDF)
販売価格:¥1,600-
ハイエンド・ヘッドホンアンプキット「HPA_6120」を使ったアナログ入力、またはデジタル入力ヘッドホンアンプの製作例の詳細につきましては、「TPA6120A2(TI社)使用・ステレオヘッドホンアンプ[応用編]」(PDF)をご覧ください。
ナショナルセミコンダクター社の高性能デュアル200mWオーディオパワーアンプIC『LM4881』を使用したデジットオリジナルの低価格ヘッドホンアンプキットもございます。

電源電圧の選択で据え置きとポータブルに両対応しています!
デジットオリジナル ヘッドホンアンプキット「HEP4881」
(2011.07.19追記)
共立エレショップに登録されておりますので通販ご希望の方はご利用ください。
ハイエンド・ステレオヘッドホンアンプキット HPA_6120
2ch不平衡-平衡変換アンプキット UNBAL_134
仮想グランド電源キット KASOU_GND
ハイエンドヘッドホンアンプキットをポータブル化!


製作記事をBlogに掲載しておりますのでご参考ください。
Blog記事:ハイエンドヘッドホンアンプキット・ポータブル化作戦!
▼ハイエンド・ヘッドホンアンプキットを始めとする各周辺キットは
▼オーディオキットコーナーまたはデジットキットのショーケース
▼にて販売中!

ハイエンド・ステレオヘッドホンアンプキット「HPA_6120」


メインIC:TPA6120A2


低ひずみ・0.00055%を誇る高音質・高性能のTI・ステレオHi-FiハイエンドヘッドホンアンプIC「TPA6120A2」を採用したヘッドホンアンプメイン基板のキットです。
入力は平衡(バランス)入力です。幅広い電源電圧で動作いたします。
TPA6120A2は表面実装型のICですが、あらかじめ基板に実装済みです。
オーディオ用コンデンサを採用


ニチコン・オーディオ用電解コンデンサ、ポリエステルフィルムはWIMAを採用。
【ハイエンドヘッドホンアンプ「HPA_6120」仕様】
・メインIC:TPA6120A2
・電源電圧:±5~±15V
・入力:平衡入力
・ゲイン:2倍
・基板サイズ:51×37.5mm
キット説明書(PDF)
販売価格:¥2,440-
| アナログ入力のヘッドホンアンプ製作例 |

ヘッドホンアンプ、入力部分、電源部分をそれぞれ別々にキット化。
ハイエンド・ステレオヘッドホンアンプを簡単に製作でき、電子工作の初心者から上級者の方まで幅広く楽しめます。


ハイエンド・ステレオヘッドホンアンプキット「HPA_6120」は平衡(バランス)入力です。
一般的なオーディオ機器のアナログ出力は不平衡(アンバランス)が多く、この場合は
不平衡-平衡変換アンプキット「UNBAL_134」を使用して不平衡から平衡に変換して
入力します。
電源は±両電源です。ACアダプタなど単電源を使用する場合は、仮想グラウンド電源キット
「KASOU_GND」を使用します。
※なお、可変抵抗、ジャック類、スイッチ、ヒューズホルダ、ケースは付属しておりませんので、別途お求めください。
2ch 不平衡-平衡変換アンプキット「UNBAL_134」


アナログオーディオ不平衡入力をアナログオーディオ平衡出力に変換する組み立てキットで、ハイエンド・ステレオヘッドホンアンプキット「HPA_6120」の入力部分に使用します。
その他、オーディオのラインドライバなど幅広く使用できます。
メインIC:DRV134PA


メインICは超低ひずみ0.0005%を誇るTIのラインドライバICです。電源電圧は±4.5V~±18Vと広範囲です。アナデバ社のSSM2142とピン互換です。DATASHEET
オーディオ用コンデンサを採用
ニチコン・オーディオ用電解コンデンサを採用しております。
【2ch 不平衡-平衡変換アンプキット「UNBAL_134」仕様】
・メインIC:DRV134×2個
・入力:不平衡入力
・出力:平衡出力
・ゲイン:2倍
・入力インピーダンス:10kΩ
・電源電圧:±4.5~±18V
・基板サイズ:51×33.5mm
キット説明書(PDF)
販売価格:¥2,440-
仮想グラウンド電源キット「KASOU_GND」 レールスプリッタ


ACアダプタなどの単一電源入力から、入力電圧の1/2の電位を仮想グラウンドにして±両電源出力を取り出せる電源組み立てキットです。ハイエンド・ステレオヘッドホンアンプキット「HPA_6120」、不平衡-平衡変換アンプ基板キット「UNBAL_134」の電源として使用します。プラス・マイナスの2電源が必要な回路の電源としても最適です。連続で最大0.2Aまで流せます。(24V入力/±12V出力時)
メインIC:LM1875T


DATASHEET


出力はヘッダーピンで8回路。ここから±電源を取り出せます。
電解コンデンサはニチコン・オーディオ用電解コンデンサです。
【仮想グラウンド電源キット「KASOU_GND」仕様】
・電源入力:DC12~24V
・出力回路数:8回路
・最大出力電流:約0.2A
・基板サイズ:51×37.5mm
キット説明書(PDF)
販売価格:¥1,600-
ハイエンド・ヘッドホンアンプキット「HPA_6120」を使ったアナログ入力、またはデジタル入力ヘッドホンアンプの製作例の詳細につきましては、「TPA6120A2(TI社)使用・ステレオヘッドホンアンプ[応用編]」(PDF)をご覧ください。
ナショナルセミコンダクター社の高性能デュアル200mWオーディオパワーアンプIC『LM4881』を使用したデジットオリジナルの低価格ヘッドホンアンプキットもございます。

電源電圧の選択で据え置きとポータブルに両対応しています!
デジットオリジナル ヘッドホンアンプキット「HEP4881」
(2011.07.19追記)
共立エレショップに登録されておりますので通販ご希望の方はご利用ください。
ハイエンド・ステレオヘッドホンアンプキット HPA_6120
2ch不平衡-平衡変換アンプキット UNBAL_134
仮想グランド電源キット KASOU_GND
ハイエンドヘッドホンアンプキットをポータブル化!


製作記事をBlogに掲載しておりますのでご参考ください。
Blog記事:ハイエンドヘッドホンアンプキット・ポータブル化作戦!
▼ハイエンド・ヘッドホンアンプキットを始めとする各周辺キットは
▼オーディオキットコーナーまたはデジットキットのショーケース
▼にて販売中!
