2012年05月17日
USB-I/F 192kHz・24bit対応デジタルアップサンプリングを作ろう!
デジタルオーディオ独立基板製作記事
USBインターフェイス 192kHz 24bit対応デジタルアップサンプリング
デジットオリジナルのデジタルオーディオ独立実験基板シリーズを組み合わせて、デジタルオーディオ機器を手軽に製作できますが、その一例を製作記事として掲載いたします。
今回はUSBインターフェイス 192kHz 24bit対応デジタルアップサンプリングの製作です。
【概要】
PC等のUSB出力からUSBオーディオインターフェイスキット「USB_DOUT2706kit」でオーディオシリアル信号(Audio PCM信号)に変換し、変換出力されたオーディオシリアル信号( 通常44.1kHz / 16bit )をサンプルレートコンバータ独立実験基板キット「SRC_4192_A」で176.4kHz / 24bitにアップサンプリング、リクロックしてDAIトランスミッタ独立実験基板キット「DIT4192_A」でS / PDIFデジタルオーディオ信号に再変換して、デジタルオーディオ・コアキシャル汎用実験/評価基板キット「PT_F」で同軸出力します。
★ブロック図(クリックするとPDFでご覧いただけます。)

▼製作記事および独立実験基板の配線図はPDFでもご覧いただけます
USBインターフェイス 192kHz・24bit対応デジタルアップサンプリング製作記事(PDF)
USBインターフェイス 192kHz・24bit対応デジタルアップサンプリング配線図(PDF)
USBインターフェイス 192kHz 24bit対応デジタルアップサンプリング
デジットオリジナルのデジタルオーディオ独立実験基板シリーズを組み合わせて、デジタルオーディオ機器を手軽に製作できますが、その一例を製作記事として掲載いたします。
今回はUSBインターフェイス 192kHz 24bit対応デジタルアップサンプリングの製作です。
【概要】
PC等のUSB出力からUSBオーディオインターフェイスキット「USB_DOUT2706kit」でオーディオシリアル信号(Audio PCM信号)に変換し、変換出力されたオーディオシリアル信号( 通常44.1kHz / 16bit )をサンプルレートコンバータ独立実験基板キット「SRC_4192_A」で176.4kHz / 24bitにアップサンプリング、リクロックしてDAIトランスミッタ独立実験基板キット「DIT4192_A」でS / PDIFデジタルオーディオ信号に再変換して、デジタルオーディオ・コアキシャル汎用実験/評価基板キット「PT_F」で同軸出力します。
★ブロック図(クリックするとPDFでご覧いただけます。)

▼製作記事および独立実験基板の配線図はPDFでもご覧いただけます
USBインターフェイス 192kHz・24bit対応デジタルアップサンプリング製作記事(PDF)
USBインターフェイス 192kHz・24bit対応デジタルアップサンプリング配線図(PDF)
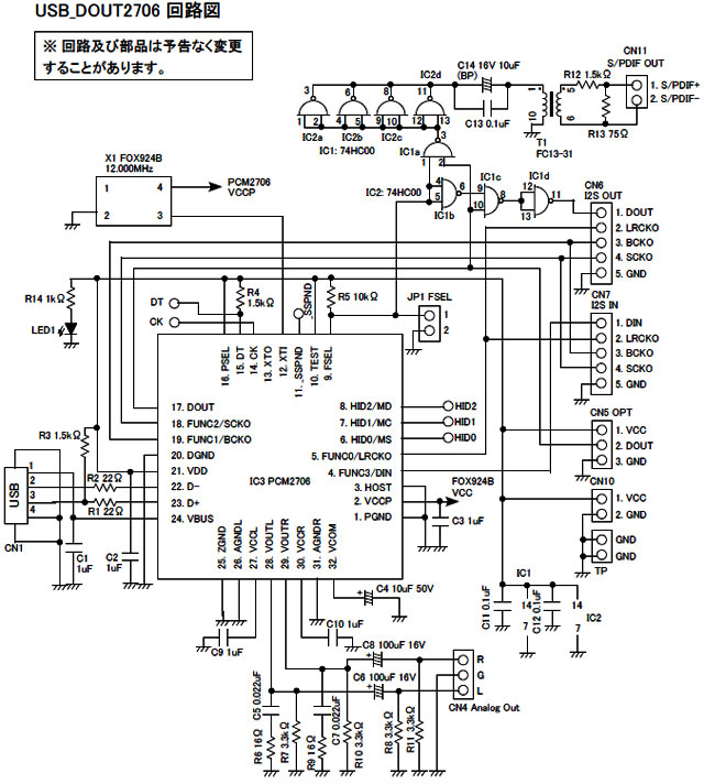
【USBインターフェイス部】
PC等のUSB出力からオーディオシリアル信号(Audio PCM信号)への変換はT.I.社のPCM2706を実装した,
USBオーディオインターフェイスキット「USB_DOUT2706kit」を使用します。
USBオーディオインターフェイスキット「USB_DOUT2706kit」


「USB_DOUT2706kit」の設定

出力をオーディオシリアル信号に設定にします。
設定箇所はJP1(FSEL)で、ショートプラグをセットします。(写真の赤丸部を参照)
なお、FSELは[S/PDIF]と[オーディオシリアル信号]切換です。
オーディオシリアル信号出力箇所は基板中央部分にある5ピンヘッダピンです。
2つある5ピンヘッダピン[CN7とCN6]の内CN6の5本のピンがオーディオシリアル信号(Audio PCM信号)とシステムクロックとGND出力です。
[CN6 ピンアサイン]

1:シリアルデータ(DOUT)
2:LRクロック(LRCKO)
3:ビットクロック(BCKO)
4:システムクロック(SCKO)
5:グランド(GND)
| 【USB-DOUT2706kitの設定データ】 データ出力フォーマット:I2S / 16bit サンプリング周波数(fs)出力:32kHz / 44.1kHz / 48kHz対応 システムクロック出力:256fs(例11.2896MHz=256×44.1kHz) 電源:USBバスパワー |
以上でUSBインターフェイス部の設定は終了です。
【サンプルレートコンバータ部(SRC)】
オーディオシリアル信号(44.1kHz 16bit I2S)をアップサンプリング・リクロック(176.4kHz 24bit I2S)します。
サンプルレートコンバータ部にはT.I.社のSRC4192を実装したサンプルレートコンバータ独立実験基板キット「SRC4192_A」を使用します。
サンプルレートコンバータ独立実験基板キット「SRC4192_A」


【システムクロック部(CLK)】
●SRC4192_Aの設定の前に
今回はUSB_DOUT2706基板からのシステムクロックは使用せず、別でシステムクロックを用意して使用します。使用する基板はマルチクロック独立実験基板キット「CLK1707_D」です。
マルチクロック独立実験基板キット「CLK1707_D」


●CLK1707_Dの設定をしていきます。

●システムクロック周波数出力の設定箇所は基板の左側JP10です。
CSEL SR FS1 FS2をショートプラグで設定します。
基板上のFS1とSRにショートプラグをセットします。
CSELはどちらにセットしても問題ありません。
●各システムクロック出力ピンは基板中央の2×6ピンヘッダピンです。
CN1DとCN4Dと2カ所ありますが、どちらからでも出力を取り出せます。
CN1Dの6番(またはCN4Dの6番)から22.5792MHzを出力します。
●電源はDC3.3Vです。
|
今回はオーディオシリアル信号のサンプリング周波数(fs)は44.1kHzを前提としてますので、システムクロックは44.1kHzの512倍の22.5792MHzを使用します。 |
●SRC4192_Aの設定していきます。

●USB_DOUT2706kitからのオーディオシリアル信号出力が[16bit I2S]になりますので、入力データフォーマットの設定を[24bit I2S]に設定します。SRC4192_A基板の左下のJP1(IFMT)の2番、3番、4番をショートプラグで設定します。
JP1-3とJP1-4の2カ所にショートプラグをセットし、JP1-2はオープン(ショートプラグをセットしない)にします。
| I2Sと左寄の場合24bitの設定に16bitデータをいれても恐らくあまり問題にはならないと思いますが、右寄の場合はデータの欠落等が大きくなると思いますので注意して下さい。詳しくは書籍、データシート等で調べて下さい。 |
●出力データフォーマットの設定を[24bit I2S]に設定します。

SRC4192_A基板の右下のJP3(OFMT)の4番、3番、2番、1番をショートプラグで
設定します。
JP3-4とJP3-3、JP3-2の3カ所にショートプラグをセットしGNDと接続します。
JP3-1はオープン(ショートプラグをセットしない)にします。
●出力サンプリング周波数(LRクロック)を176.4kHzに設定します。
●同時に動作モードを入力をスレーブ、出力をマスタに設定します。

SRC4192_A基板の右上のJP2(MODE)の2番、1番、0番をショートプラグで設定します。
JP2-2とJP2-1の2カ所にショートプラグをセットしGNDと接続します。
JP2-0はオープン(ショートプラグをセットしない)にします。
SRC4192_A基板はマスターモードでの出力サンプリング周波数(LRクロック)はシステムクロックとの関係が128fs/256fs/512fsでの同期関係にならなくてはなりません。
176.4kHz出力設定時のシステムクロックは176.4kHzx128=22.528MHz 176.4kHzx256=45.056MHz 176.4kHzx512=90.112MHzです。
CLK1707_D基板で出力可能なクロックが22.528MHzですので128fsでの設定にしました。
SRC4192_A基板のシステムクロック入力の最大は50MHzまでです。
/////////////////////////////////////////////////////////////////////////////////////////////////////////////////////////////////////////////////
オーディオシリアル信号伝送でのマスタとスレーブに関して
マスタはLRクロックとビットクロックが出力になり、スレーブはLRクロックとビットクロックが
入力になります。
マスタ/スレーブの関係も重要な関係になりますので注意して設定して下さい。
今回の設定ではUSB_DOUT2706kit(マスタ) SRC4192_A(データ入力側=スレーブ データ出力側=マスタ)
DIT4192_E(スレーブ)に設定にします。
/////////////////////////////////////////////////////////////////////////////////////////////////////////////////////////////////////////////////
●SRC4192_Aのその他の機能設定

●LGRPを通常動作の64サンプルに設定します。
SRC4192_A基板の右上のJP4(LGRP)をショートプラグで設定します。
JP4(LGRP)にショートプラグをセットしGNDと接続します。
●バイパスモードを通常動作に設定します。

SRC4192_A基板の左下のJP1の1番ピンをショートプラグで設定します。
JP1-1にショートプラグをセットしGNDと接続します。
通常のオーディオデータ(PCM)以外のデータをスルーさせるのに使用されます。
バイパスモードが働いてる間はミュート、データ補間機能は働きません。
●ミュートモードを通常動作に設定します。

SRC4192_A基板の左下のJP5の2番ピンをショートプラグで設定します。
JP5-2をオープン(ショートプラグをセットしない)にします。
出力端子にレディ信号[CN7]があります。動作モードを変更したとき、内部動作が完了した合図として出力されます。通常オープンで構いませんが、このレディ信号[CN7-1]をミュート端子[JP5-2]に接続しておけば、内部動作完了時までミュートがかかる様になります。
●リセットを通常動作に設定します。

SRC4192_A基板の右下のJP5の1番ピンをショートプラグで設定します。
JP5-1をオープン(ショートプラグをセットしない)にします。
設定の変更を有効にするには一度電源を落として再びパワーONするか、リセットが必要です。
リセットは各種設定を変更した際に必ず行ってください。
基板中央下にリセットSWがありますのでこちらでも構いません。
●オーディオシリアル信号入力をプルダウンに設定します。

SRC4192_A基板の左上のJP7の3番ピン、2番ピン、1番ピンをショートプラグで設定します。
JP7-3とJP7-2間にショートプラグをセットします。
●TDMを通常動作に設定します。

SRC4192_A基板の右下のCN8の1番ピンをショートプラグで設定します。
CN8にショートプラグをセットします。
●各信号線を接続していきます。


●オーディオシリアル信号とシステムクロックの
●入力接続をします。
SRC4192_A基板左側の5ピンヘッダピンCN4とCN1にUSB_DOUT2706からのオーディオシリアル信号(44.1kHz 16bit I2S)とCLK1707_D基板からのシステムクロック(22.57954MHz)を入力接続します。
今回システムクロックはCLK1707_D基板から入力しますのでUSB_DOUT2706からの接続はオーディオシリアル信号(LRクロック・ビットクロック・オーディオデータ)とGNDの4本です。
●オーディオシリアル信号出力について

DIT4192_Eへのオーディオシリアル信号(176.4kHz 24bit I2S)とシステムクロック(22..5792MHz)の出力箇所は基板右側に5ピンヘッダピンCN2とCN3です。(CN2とCN3はどちらも同じ信号出力です。)
●電源はDC3.3Vです。
以上でサンプルレートコンバータ部の設定が終了です。
【DAIトランスミッタ部(DIT)】
デジタルオーディオシリアル信号をデジタルオーディオ信号(S/PDIF)へ変換して同軸用パルストランスを通じて同軸出力します。DAIトランスミッタ部にはT.I.社のDIT4192を実装したDIT4192_E基板と同軸パルス用PT_F基板を使用します。
DAIトランスミッタ独立実験基板キット「DIT4192_E」


デジタルオーディオ・コアキシャル汎用実験/評価基板キット「PT_F」


●DIT4192_E基板の設定していきます。

●モードをハードウェアに設定します。
DIT4192_E基板の左上のJP5Eの1番ピンをショートプラグで設定します。
JP5E-1をオープン(ショートプラグをセットしない)にします。
●マスタ・スレーブをスレーブモードに設定します。

DIT4192_E基板の左下のJP3Eの4番ピンをショートプラグで設定します。
JP3E-4にショートプラグをセットします。
●サンプリング周波数を176.4kHzに設定します。

DIT4192_E基板の中央下のJP2Eの4番ピンと3番ピンをショートプラグで設定します。
JP2E-4とJP2E-3にショートプラグをセットしGNDと接続します。
128fs設定です。
●入力データフォーマットを24bit I2S に設定します。

DIT4192_E基板の中央下のJP2Eの2番ピンと1番ピンをショートプラグで設定します。
JP2E-1にショートプラグをセットしGNDと接続します。
JP2E-2をオープン(ショートプラグをセットしない)にします。
S/PDIF信号が176.4kHz 24bitで送信されます。
接続される機器の設定や機能によってはうまく再生出来ない場合が考えられます。
●MONO / DATをステレオに設定します。

DIT4192_E基板の中央上のJP4Eの3番ピンと4番ピンをショートプラグで設定します。
JP4E-3とJP4E-4にショートプラグをセットしGNDと接続します。
JP4E-4のDATはモノラルモード時のみ有効ですのでオープンに設定してもかまいません。
●U(USER)を設定します。

DIT4192_E基板の左上のJP5Eの2番ピンをショートプラグで設定します。
JP5E-2にショートプラグをセットしGNDと接続します。
オープンに設定してもかまいません。
●V(VALIDITY)を正常データに設定します。

DIT4192_E基板の左上のJP5Eの3番ピンをショートプラグで設定します。
JP5E-3にショートプラグをセットしGNDと接続します。
●チャンネルステータスの設定

●CSSをジャンパに設定します。
DIT4192_E基板の左下のJP3Eの1番ピンをショートプラグで設定します。
JP3E-1にショートプラグをセットしGNDと接続します。
CSSをジャンパするとチャンネル・ステータス・データ・ビットのCOPY、L、AUDIOおよびEMPHをジャンパで設定します。CSSをオープンに設定した場合チャンネル・ステータス・データはCピンからシリアルデータ入力になります。
●BLSMを出力に設定します。

DIT4192_E基板の左上のJP5Eの4番ピンをショートプラグで設定します。
JP5E-4をオープン(ショートプラグをセットしない)にします。
ブロック・スタートはチャンネル・ステータス・データ・ブロックの
スタートを示すために使用されます。
●_EMPHをプリエンファシス無しに設定します。

DIT4192_E基板の中央上のJP4Eの1番ピンをショートプラグで設定します。
JP4E-1にショートプラグをセットします。
●_AUDIOを通常PCMに設定します。

DIT4192_E基板の中央上のJP4Eの2番ピンをショートプラグで設定します。
JP4E-2をショートプラグをセットしGNDと接続します。
●COPY,Lをコンシューマモードに設定します。

DIT4192_E基板の左下のJP3Eの2番ピンと3番ピンをショートプラグで設定します。
JP3E-2とJP3E-3をショートプラグをセットしGNDと接続します。
/////////////////////////////////////////////////////////////////////////////////////////////////////////////////////////////////////////////////
●S / PDIF信号やエンファシス、チャンネルステータスについて
詳しくは書籍、データシート等で調べて下さい。
●設定の変更を有効にするには再パワーONかリセットが必要です。
リセットは各種設定を変更した際に必ず行ってください。
/////////////////////////////////////////////////////////////////////////////////////////////////////////////////////////////////////////////////
●各信号線を接続していきます。

●オーディオシリアル信号とシステムクロックの入力接続をします。
DIT4192_E基板の右の5ピンヘッダピンCN1EにSRC4192_Aからのオーディオシリアル信号(176.4kHz 24bit I2S)とシステムクロック(22.57954MHz)を入力接続します。

●1:1同軸パルストランスへのS/PDIF信号(176.4kHz 24bit)の出力箇所は基板の右上の3ピンヘッダピンCN4Eの1番ピンと3番ピンです。●電源はDC3.3VとDC5Vです。
以上でDAIトランスミッタ部の設定が終了です。
デジタルオーディオ・コアキシャル汎用実験/評価基板キット「PT_F」


●PT_F基板に接続します。

●PT_FのCN1FにDIT4192_EからのS/PDIF信号(176.4kHz 24bit)を入力接続します。
●PT_F基板参考定数

R1F:0Ω R2F:75Ω R3F:オープン C1F:0.1μF
●同軸用コネクタ(RCA)へはPT_FのCN2Fが出力になります。


以上でコアキシャル出力部の設定が終了です。
●各基板に電源を接続してUSBインターフェイス192kHz 24bit対応デジタルアップサンプリング
設定と接続は終了です。
《各キットの電源入力一覧》
●USB_DOUT2706:USBバスパワー
●CLK_1707:DC3.3V
基板右のCN6(CN5)

●SRC4192_A:DC3.3V
基板左のCN2D(CN3D)

●DIT4192_E:DC3.3V・DC5V
基板右下のCN2E(CN3E)

ユニバーサル基盤を使った電源用サブ基板製作例
各基板への電源についてはカンタンな分配用基板をサブ基板として製作しました。
今回の製作では無くても構いません。

《追記》
●今回は電源の製作に関しては省いています。
(デジタルオーディオ向け電源を近日発売予定です)
●配線は色々差し替えて実験が可能な用に
ヘッダピンとヘッダピン用コネクタ(QIコネクタ)を使用しました。
参考記事>>電子工作でよく使う『QIコネクタ』の圧着方法
●設定用ジャンパピンは便宜上カラージャンパを使用しました。
キット付属は黒色になります。
●デジタルオーディオ独立実験基板のその他の参考製作例は、
こちらのBlog記事にてPDFでご覧いただけます。
●作ってみたいけどうまく作れるか不安・・・という方は
デジット主催のオーディオキット製作体験会に参加して作ってみませんか?
