2012年08月31日
ATtiny2313+トランジスタアレイ基板キット「2313LED16」
(2013.05.15 UPDATE)
ATMEL高性能マイコン「ATtiny2313」を手軽に扱えるマイコンボード「2313_BOARD」をベースに、トランジスタアレイ(シンクドライバ)を2個追加して出力を強化したマイコンボード、ATtiny2313+トランジスタアレイ基板キット「2313LED16」のご紹介です。
2313LED16


◆2313LED16ボード構成

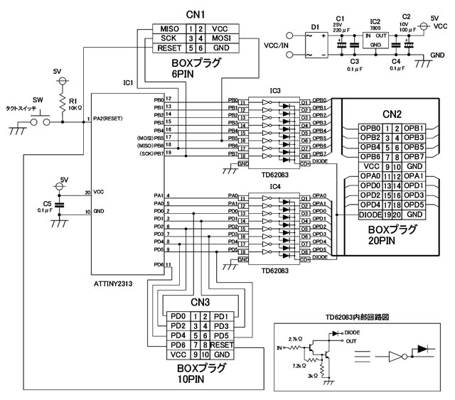
トランジスタアレイ「TD62083A」を2個搭載、各ポートを出力したBOXプラグ、プログラム書き込み用ISPポートを備え、AVRライターでプログラムをそのまま書き込み可能な実装書き込みにも対応。デジットオリジナルAVRライター「AVRWRT3」、ATMEL純正ライター「AVRISPmk-II」対応です。
電源電圧(Vcc / IN):DC9V~12V、電源回路(DC5V)付き、リセットスイッチを実装しています。
◆ATMEL AVRマイコン「ATtiny2313」


Flash:2KB、EEPROM:128KB、SRAM:128Byte、その他PWMやタイマー、シリアルポートなどの機能を持った高性能マイコンです。
キットでは内部クロックを使用し、最大8MHzで動作します。
(マイコン単体は外付けクロックで最大20MHzで動作する性能を持っています。)
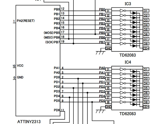
◆東芝トランジスタアレイ「TD62083A」


ATtiny2313のポートにトランジスタアレイ「TD62083A」を追加することでドライブ能力を高め、マイコンの出力では直接ドライブできない回路も制御できます。
オープンコレクタ出力(吸い込み型)、1chあたり500mA(max)までドライブできますので、大量のLEDをドライブする場合や桁の多い7セグLEDのドライブ、モーター制御などにも最適です。
ATtiny2313のPort A:2bit、Port B:8bit、Port D:6bitがトランジスタアレイに接続されております。
◆CN2:20ピンBOXプラグ


ATtiny2313の各ポートに接続されたトランジスタアレイのオープンコレクタ出力と出力クランプダイオード、電源(DC5V)、GND×2を20ピンBOXプラグに出力しています。
◆CN3:10ピンBOXプラグ


PortD(7bit・ダイレクト)、リセット、電源出力(DC5V)、GNDを10ピンBOXプラグに出力されておりますので、通常のマイコン同様に入出力が行えます。
◆CN1:6ピンBOXプラグ


実装書込用ISPコネクタを備えていますので、AVRライター「AVRWRT」、「AVRWRT3」やATMEL純正「AVRISP MK-II」を接続してプログラムの書込みが行えます。
ATtiny2313+トランジスタアレイ基板キット「2313LED16」
キット説明書(PDF)
販売価格:¥1,820-
【関連商品のご紹介】
◆20ピンBOXプラグ用ケーブル


20ピンBOXプラグからの信号取り出し用に便利なケーブルが2種類あります。
いずれも片側は20ピンBOXプラグ用コネクタが付いており、フラットケーブルの先端にブレッドボードでの実験に便利なQIコネクタ・プラグタイプと、外部回路と接続が容易なQIコネクタ・ソケットタイプの2種類ございます。
販売価格:各¥400-
◆高性能マイクロコントローラ活用ガイド

ATtiny2313の応用例満載の誠文堂新光社『高性能マイクロコントローラ活用ガイド』と一緒にいかがでしょうか?詳しくはBlog記事をご覧ください。
◆2313マイコンボード「2313BOARD」


「ATtiny2313」を手軽に使用できるマイコンボードもございます。
詳しくはBlog記事をご覧ください。
◆AVRマイコン電子工作製作会開催中!
AVRマイコンに興味のある方、やってみたい方、電子工作初心者の方も大歓迎ですので、参加してみませんか?
詳しくは、↓バナーをクリック!

▼ATtiny2313+トランジスタアレイ基板キット「2313LED16」は
▼レジカウンタ前にて吊り下げ販売中です!

(2013.05.15 追記)
共立エレショップに登録しておりますので通販ご希望の方はご利用ください。
ATtiny2313+トランジスタアレイ基板キット / 2313LED16
ATMEL高性能マイコン「ATtiny2313」を手軽に扱えるマイコンボード「2313_BOARD」をベースに、トランジスタアレイ(シンクドライバ)を2個追加して出力を強化したマイコンボード、ATtiny2313+トランジスタアレイ基板キット「2313LED16」のご紹介です。
2313LED16


◆2313LED16ボード構成

トランジスタアレイ「TD62083A」を2個搭載、各ポートを出力したBOXプラグ、プログラム書き込み用ISPポートを備え、AVRライターでプログラムをそのまま書き込み可能な実装書き込みにも対応。デジットオリジナルAVRライター「AVRWRT3」、ATMEL純正ライター「AVRISPmk-II」対応です。
電源電圧(Vcc / IN):DC9V~12V、電源回路(DC5V)付き、リセットスイッチを実装しています。
◆ATMEL AVRマイコン「ATtiny2313」


Flash:2KB、EEPROM:128KB、SRAM:128Byte、その他PWMやタイマー、シリアルポートなどの機能を持った高性能マイコンです。
キットでは内部クロックを使用し、最大8MHzで動作します。
(マイコン単体は外付けクロックで最大20MHzで動作する性能を持っています。)
◆東芝トランジスタアレイ「TD62083A」


ATtiny2313のポートにトランジスタアレイ「TD62083A」を追加することでドライブ能力を高め、マイコンの出力では直接ドライブできない回路も制御できます。
オープンコレクタ出力(吸い込み型)、1chあたり500mA(max)までドライブできますので、大量のLEDをドライブする場合や桁の多い7セグLEDのドライブ、モーター制御などにも最適です。
ATtiny2313のPort A:2bit、Port B:8bit、Port D:6bitがトランジスタアレイに接続されております。
◆CN2:20ピンBOXプラグ


ATtiny2313の各ポートに接続されたトランジスタアレイのオープンコレクタ出力と出力クランプダイオード、電源(DC5V)、GND×2を20ピンBOXプラグに出力しています。
◆CN3:10ピンBOXプラグ


PortD(7bit・ダイレクト)、リセット、電源出力(DC5V)、GNDを10ピンBOXプラグに出力されておりますので、通常のマイコン同様に入出力が行えます。
◆CN1:6ピンBOXプラグ


実装書込用ISPコネクタを備えていますので、AVRライター「AVRWRT」、「AVRWRT3」やATMEL純正「AVRISP MK-II」を接続してプログラムの書込みが行えます。
ATtiny2313+トランジスタアレイ基板キット「2313LED16」
キット説明書(PDF)
販売価格:¥1,820-
【関連商品のご紹介】
◆20ピンBOXプラグ用ケーブル


20ピンBOXプラグからの信号取り出し用に便利なケーブルが2種類あります。
いずれも片側は20ピンBOXプラグ用コネクタが付いており、フラットケーブルの先端にブレッドボードでの実験に便利なQIコネクタ・プラグタイプと、外部回路と接続が容易なQIコネクタ・ソケットタイプの2種類ございます。
販売価格:各¥400-
◆高性能マイクロコントローラ活用ガイド

ATtiny2313の応用例満載の誠文堂新光社『高性能マイクロコントローラ活用ガイド』と一緒にいかがでしょうか?詳しくはBlog記事をご覧ください。
◆2313マイコンボード「2313BOARD」


「ATtiny2313」を手軽に使用できるマイコンボードもございます。
詳しくはBlog記事をご覧ください。
◆AVRマイコン電子工作製作会開催中!
AVRマイコンに興味のある方、やってみたい方、電子工作初心者の方も大歓迎ですので、参加してみませんか?
詳しくは、↓バナーをクリック!
▼ATtiny2313+トランジスタアレイ基板キット「2313LED16」は
▼レジカウンタ前にて吊り下げ販売中です!

(2013.05.15 追記)
共立エレショップに登録しておりますので通販ご希望の方はご利用ください。
ATtiny2313+トランジスタアレイ基板キット / 2313LED16