2013年03月27日
真空管アンプキット「6BQ5-KIT」をパワーアップ!
デジットオリジナル2W+2Wステレオ真空管アンプキット「6BQ5-KIT」の出力をパワーアップする方法が、実はあります。
2W+2Wステレオ真空管アンプキット「6BQ5-KIT」


2W+2Wステレオ真空管アンプキット「6BQ5-KIT」の詳細はBlog記事をご覧ください。
Blog記事:デジットオリジナル 2W+2W 6BQ5真空管アンプキット「6BQ5-KIT」
キット付属の一部パーツを変更するだけで、出力が3W+3W、または4.8W+4.8Wに上がります。下記に変更するパーツをご紹介いたしますのでご参考にしてください。
製作にあたり資料(PDF)も公開しております。
店頭でも資料を配布いたしておりますので、スタッフまでお気軽にお声をおかけください。
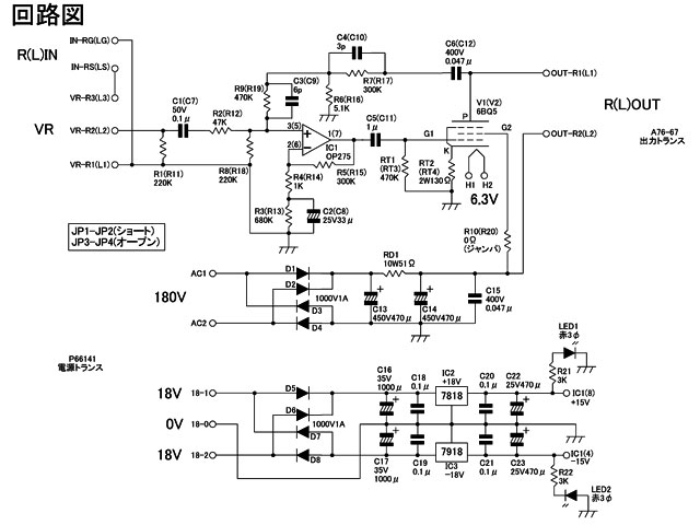
【出力3W+3Wパワーアップ編】
◆回路図と製作例


詳細は資料(PDF)をご覧ください:出力3W+3W資料(PDF)
◆部品変更パーツリスト
三端子レギュレータ
キット付属パーツ ⇒ 変更パーツ・IC2:7815 ⇒ 7818 ¥60-
・IC3:7915 ⇒ 7918 ¥65-
1/4W カーボン抵抗
キット付属パーツ ⇒ 変更パーツ・R21:2.7kΩ ⇒ 3kΩ ¥5-
・R22:2.7kΩ ⇒ 3kΩ ¥5-
2W酸金抵抗
キット付属パーツ ⇒ 変更パーツ・RT2:200Ω ⇒ 130Ω ¥20-
・RT4:200Ω ⇒ 130Ω ¥20-
10Wセメント抵抗
キット付属パーツ ⇒ 変更パーツ・RD1:470Ω ⇒ 51Ω ¥60-
フィルムコンデンサ
キット付属パーツ ⇒ 変更パーツ・C1:ポリプロピレン100V 0.022uF
⇒ ポリエステル(ECQV) 50V 0.1uF ¥30-
・C7:ポリプロピレン100V 0.022uF
⇒ ポリエステル(ECQV) 50V 0.1uF ¥30-
◆別売パーツの変更
出力トランス×2個
・A48-124 ⇒ A76-67 ¥7,800-※各パーツの変更に関しては、ご紹介した電源トランスおよび出力トランス使用での設計となっております。
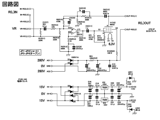
【出力4.8W+4.8Wパワーアップ編】
◆回路図と製作例


詳細は資料(PDF)をご覧ください:出力4.8W+4.8W説明書(PDF)
◆部品変更パーツリスト
三端子レギュレータ
キット付属パーツ ⇒ 変更パーツ・IC2:7815 ⇒ 7820 ¥60-
・IC3:7915 ⇒ 7920 ¥65-
1/4W カーボン抵抗
キット付属パーツ ⇒ 変更パーツ・R21:2.7kΩ ⇒ 3.6kΩ ¥5-
・R22:2.7kΩ ⇒ 3.6kΩ ¥5-
0Ω(ジャンパ)
キット付属パーツ ⇒ 変更パーツ・R10 ジャンパ ⇒ 2W酸金抵抗10kΩ ¥20-
・R20 ジャンパ ⇒ 2W酸金抵抗10kΩ ¥20-
フィルムコンデンサ
キット付属パーツ ⇒ 変更パーツ・C1:ポリプロピレン100V 0.022uF
⇒ ポリエステル(ECQV) 50V 0.1uF ¥30-
・C7:ポリプロピレン100V 0.022uF
⇒ ポリエステル(ECQV) 50V 0.1uF ¥30-
◆キット外パーツの変更
電源トランス
・A66194-711SY ⇒ P105-16G ¥22,000-出力トランス×2個
・A48-124 ⇒ A76-67 ¥7,800-※各パーツの変更に関しては、ご紹介した電源トランスおよび出力トランス使用での設計となっております。
これから真空管アンプキット「6BQ5-KIT」を作られる方、またはキットを作って使っているけどパワーアップしてみたい方、ぜひ挑戦してみてください!
オーディオキット製作体験会に参加しませんか?
電子工作は初めてなので、作ってみたいけどうまく作れるかちょっと不安・・・という方、デジット主催のオーディオキット製作体験会に参加して作ってみませんか?
詳しくは、↓バナーをクリック!

▼6BQ5-KITパワーアップバージョンのデモ機を展示中!
試聴も可能ですので、ぜひご来店ください!

真空管キット「6BQ5-KIT」は共立エレショップに掲載しております。
通販ご希望の方はご利用ください。
2W+2W 6BQ5真空管アンプキット / 6BQ5-KIT